网站首页
关于我们
新闻动态
产品中心
产品样册
客户服务
人力资源
联系我们
产品样册
产品样册
产品资质
首页
>
产品样册
>
产品样册
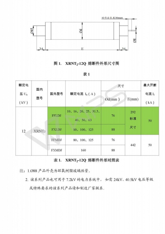
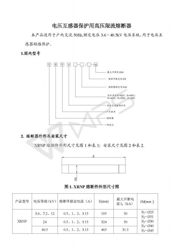
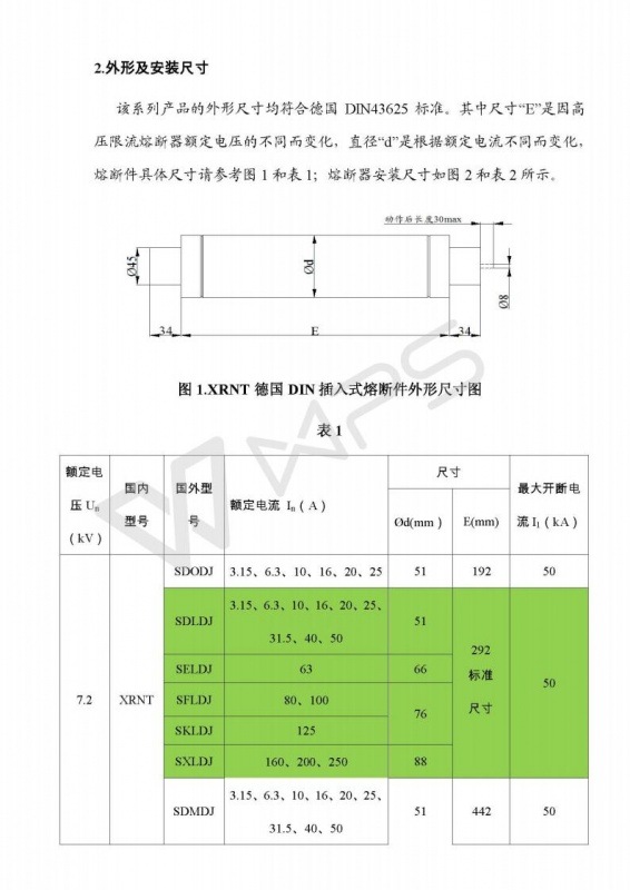
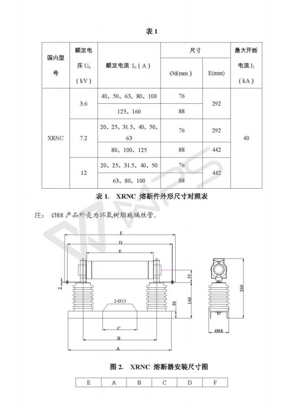
熔断器
下一篇:
金属氧化物避雷器
展开
收缩
QQ咨询
在线咨询
在线咨询
在线咨询
在线咨询
在线咨询